banner-revista-ritp

 

 

 

 

Volumen 1, número 1 | Enero-Junio | 2020

e004                                                                      


 

ORIGINAL ARTICLE
 

 

 


Automation of the wet disinfection process during the production of suture threads from natural collagen, catgut

Automatización de la desinfección durante el proceso húmedo de producción de hilos de sutura quirúrgico a partir de colágeno natural, catgut


Juan A. Vega Farje
1, Ana Gonzalez 2 and Fanny L. Casado 3*

 

1 Mechanical Engineering, Pontificia Universidad Catolica del Peru, Lima, Peru., juan.vegaf@pucp.edu.pe

2 Department of Engineering, Pontificia Universidad Catolica del Peru, Lima, Peru., agonzal@pucp.edu.pe

3 Institute of Omic Sciences and Applied Biotechnology, Pontificia Universidad Catolica del Peru, Lima, Peru., fanny.casado@pucp.edu.pe

* Autor de correspondencia

 

 

Abstract

 

Surgical sutures are the simplest yet most used medical devices in modern healthcare, they are the preferred type because of its biocompatibility and ability to be resorbed. Bovine intestinal fibers are converted into catgut that serves as the starting material of absorbable surgical suture threads. The mechanical and control subsystems of industrial equipment were designed to automate disinfection of bovine intestinal fibers to increase efficiency during the wet process stage of disinfection without altering its fiber quality. A turbulent regime of the water and disinfectant mix was designed, implemented and validated, this automatic aeration system in the disinfection thank          increased the process efficiency by reducing the time used to handle a load of fibers by 50%, and the working time of the personnel involved in the process was reduced from 220 to 20 minutes. Tests on the final product showed that LAL levels comply with what is established by the American Pharmacopoeia: USP <85> Bacterial Endotoxin Test and USP <161> Medical Devices - Bacterial and Pyrogen Endotoxin Test. These results indicate that the disinfected catgut using the proposed automated system complies with all mechanical quality control tests.

 

Keywords: design for manufacture, control design, industrial bioprocessing, medical devices

 

 

Resumen

 

Las suturas quirúrgicas son los dispositivos médicos más simples, pero más utilizados en la atención médica moderna, son el tipo preferido           debido a su biocompatibilidad y capacidad de reabsorción. Las fibras intestinales bovinas se convierten en catgut que sirve como material de partida de hilos de sutura quirúrgico absorbibles. Los subsistemas mecánicos y de control de los equipos industriales fueron diseñados para automatizar la desinfección de las fibras intestinales bovinas para aumentar la eficiencia durante la etapa del proceso húmedo de desinfección sin alterar la calidad de la fibra. Se diseñó, implementó y validó un régimen turbulento de la mezcla de agua y desinfectante, este sistema de aireación automática en el tanque de desinfección aumentó la eficiencia del proceso al reducir en un 50% el tiempo de manipulación de una carga de fibras, por ello el tiempo de trabajo del personal involucrado en el proceso se redujo de 220 a 20 minutos. Las pruebas sobre el producto final mostraron que los niveles de LAL cumplen con lo establecido por la Farmacopea Americana: Prueba de Endotoxinas Bacterianas USP <85> y Dispositivos Médicos USP <161> - Prueba de Endotoxinas Bacterianas y Pirógenas. Estos resultados indican que el catgut desinfectado utilizando el sistema automatizado propuesto cumple con todas las pruebas de control de calidad mecánico.

 

 

Palabras clave: diseño para fabricación, diseño de sistema de control, bioprocesamiento industrial, dispositivos médicos

 

 

Introduction

 

Catgut sutures are manufactured from the submucosal layer of the serosal layer of the small intestine of cattle. This type of sutures from a biological source is used in most surgeries because it is 100% resorbed by the human body (Chu, 2013). Current protocols involved are highly manual and there are not commercially available solutions for their automatization which may result in increased reproducibility, reduced disinfectant usage, optimized time efficiency and suitable ergonomics for the operators. The process involves wet and dry stages, where the fibers are first cleaned with aqueous solutions to reduce the bacterial load derived from the cattle microbiome present in their intestines. Next, the fibers are treaded to become filaments that will be dried, polished and packaged to serve as raw material to make resorbable surgical sutures through further processing (Holder, 1949). The purpose of this work is to automate some washes and rinses using a turbulent regime to increase the efficiency of the disinfection process (Juszkiewicz, Walczak, Mazur-Panasiuk, & Woźniakowski, 2020). There are several methods used in industrial processes for the agitation and mixing of homogeneous liquids. The use of a tank with an agitator impeller and baffles is widely used in industrial processes for the blending of miscible fluids, high viscosity blending, solid suspension or dissolution and liquid-liquid dispersion, among others (Weetman & Gigas, 2002). However, these mixer tanks are usually enclosed systems that may not easily accommodate the bundles of fibers from the intestines and will be hard to clean and maintain. They can also damage the surface of the catgut fibers, reducing their strength. Therefore, for our design, we decided to use aeration as a better alternative than using an impeller. Aeration methods introduce a gas through pipes inside the liquid by controlling parameters like gas pressure, tank size or the size of the holes on the pipe. In our proposed system the mixing is achieved by the turbulence generated through air bubbles emerging to the surface. We describe the proposed mechanical design of an aeration tank for disinfection, its prototyping, and implementation in the production plant of the company STC Peru in Lima, Peru.

 

Materials y methods

 

System design and implementation

We followed guidelines of the standard VDI2206 "Design methodology for mechatronic systems" (Verein Deutscher Ingenieure, 2004). To understand the system's imperatives, a requirement list containing the essential information was elaborated, as shown in  Table 1. The primary consideration was the turbulence generation inside the mix tank for both mixing and agitation of water and disinfectant.

 

The system had to be designed so that it is easy to automate, maintain, and repair. It was also crucial that the proposed turbulence generation system does not introduce foreign materials to the tank nor damage the catgut fibers. The system proposed in this document seeks to replace a manual agitation method, as it is going to be detailed in the following paragraphs. Although in the catgut fiber process is not necessary to mix liquids with a gas, the introduction of an aeration system with filtered air can aid in the generation of liquid turbulence for mixing and agitation.

 


Table 1

 Requirement List for the System

 

 

 

Description

Requirements

Main function

Contain and allow the bath of 6, 3.4, and 1.04 meter long fiber bundles.

Geometry

Have the necessary dimensions to hold the 80 cm wide slats that hold the 6, 3.40 and 1.04 meter long fiber bundles.

 

Hold up to 4 levels of slats with catgut fiber bundles arranged one on top of the other, reaching a minimum water height of 6 cm and a maximum water height of 15 cm.

Process

The water and disinfectant mix inside the tub must be in a turbulent regime to facilitate the germicidal product's impregnation and its action on all the filaments immersed in the tub.

Automation

To fill the tub automatically by activating the ignition and controlling it with a water level sensor.

 

To control compressor start, run time, and shutdown to generate turbulence.

Maintenance

Maintenance should be easy to perform and preferably modular (tank, water turbulence system, automation system)

Energy

Allows the system to be connected to the company's electrical network which are single-phase 220V and three-phase 380V.

Safety

Systems must be safe for operators in accordance with current occupational safety regulations.

 

 

System validation

After building the automated disinfection system, chlorhexidine gluconate and benzalkonium chloride were tested separately to verify the effects on the strength of the fibers cleaned with widely used disinfectants. The tests were carried out at the plant located in the district of Santa Anita, Lima, Peru with an ambient temperature of 18°C and 76% relative humidity. The automated aeration used lasted 20 minutes to promote optimal contact of the solution with the fibers. This time was established based on preliminary tests with inorganic dyes to observe the homogeneous coating of the surface of all the fibers without causing the disruption of the integrity of the filaments, as visually verified by the factory's quality control experts. Then, the filaments were rinsed and twisted to establish their caliber. After that, they were moved to the drying zone, in rooms equipped for drying at relative humidity gradients.

Then, the resulting catgut filament was tested using routine quality control tests including caliber size, tensile strength and endotoxin levels. The standard size of 75 cm was chosen with tolerances of 5%. The p-values for the differences between the caliber or resistance values were calculated using the t-Student test in the control groups of each of the two batches. A two-tailed distribution was assumed and that significant differences occurred for p <0.05.

 

Results

 

Prototype

The team assembled a prototype of the aeration system that consisted of a closed circuit of polyvinyl chloride (PVC) piping connected to an air blower. The piping circuit had holes directed to the water surface for the compressed air to escape and generate the desired turbulence. The circuit was submerged close to the bottom of a fiberglass tank previously used by the company for the same purpose of this work. Although it is not automated, the prototype helped to understand the different process steps and times involved in the whole process.

A comparison of the process steps tested between the company's old method (manual method) and the new method that uses compressed air (aeration method) is shown in Table 2. Photographs of the prototype disposition and testing can be reviewed in the Appendix A.

The prototype allowed a reduction of 53% for the processing time of four fiber bundles and 50% in processing eight fiber bundles. Likewise, two workers' time on the manual method is 120 minutes each for processing eight bundles, making a total of 240 minutes. In contrast, with the prototype aeration method, a single worker uses 20 minutes for the same job. Thus, it is concluded that 220 minutes of labor would be available to attend other processes co-occurring in the plant. Additionally, the water and disinfectant mixture increased its performance from being used for a bundle of four slats to being used in two bundles. This improvement also saves the company 50% of the disinfectant cost.

 

 

Table 2

Units for Magnetic Properties

 

 

 

 

 

Step

 

Manual method (MM)

MM step durat.

Prototype aeration method (PAM)

PAM step duration

1. Water filling

The tank is filled with water to cover four fiber bundles (15 cm of water). The disinfectant product is also added.

10 min

Same as the manual method

10 min

2. Water & disinfection mixing (before adding fibers)

Two workers using acrylic plastic paddles proceed to shake the water manually to mix both components

10 min

One worker places the closed circuit of pipes and the blower is turned on for 5 minutes to mix the water with the disinfectant.

5 min

3. First batch disinfection

Four bundles with catgut fibers are placed inside the tank and the two workers stir the water.

40 min

Four bundles with catgut fibers are placed inside the tank and the blower is turned on to generate the turbulence of the water.

20 min

4. Second batch disinfection

Steps 5, 1, 2 and 3 have to be performed again.

75 min

The first batch of four bundles of fibers is retired and new 4 bundles are installed in five minutes. Then, the disinfection is carried out again in 20 minutes.

25 min

5. Draining

The four fiber bundles are removed and the tub is emptied by opening the valves manually. This takes 15 minutes to leave the tub rinsed and clean. The water and disinfectant mixture is only used once.

15 min

Same as the manual method

15 min

 

Manual method duration for 2 batches of four fiber bundles:

150 min

Prototype aeration method duration for 2 batches of four fiber bundles:

75 min

 

 

 

Implementation

The mechanical and control design of the disinfection system for catgut fibers was developed based on the prototype results. The system is composed of a mix tank, the support structure, the aeration system to generate water turbulence, and the automation system. Figure 1 shows an isometric drawing of the proposed system prepared using a computer-aided Design software. The pipes of the aeration system were fastened to the mix tank through clamps to prevent them from floating. To stay under the catgut fibers, they were attached in the longitudinal extremes of the tank. These details are shown in Figure 2. The air inlet was connected to a compressor that does not use oil, and drivers were included in the automation system. The automation system replaced many of the manual tasks that were initially performed by the workers in the manual method process.

 

 

Figure 1

 

Isometric view of the disinfection system drawn in a CAD software.


 

 

Figure 2

Isometric view of the supports for the catgut slabs, the aeration system piping, the clamps supporting the aeration system and the pipes that connect to the air compressor


 

The sequence and order of these activities and how they were automated in the project are detailed in Table 3.

 

 

Table 3

 

Automation of the system steps

 

 

 

 

 

Step

Manual Method

Automated method

Water filling

A worker had to manually open the water inlet valve and monitor that the water level reaches the necessary mark.

The water inlet valve will be activated with a push button and a water level sensor will automatically make the valve close when the desired level is reached.

Water and disinfectant pouring

A worker will place the mixture manually while the tank is filled with water.

Same as the manual method.

Water and disinfectant mixing

Two workers will mix the water and disinfectant using paddles for 10 minutes before loading the fibers.

A worker will activate the aeration system by pushing a button. It has a timer of 5 minutes before it turns off.

Disinfection

Two workers will generate turbulence for 40 minutes.

A worker will activate the aeration system by pushing a button. It has a timer of 20 minutes before it turns off.

Draining

Once the disinfection has been completed, the workers must check the fibers and determine if they need a few more minutes or if they are satisfied with the disinfection. If they are, they will manually open the tank discharge valves.

Once the disinfection has been completed, the worker must check the fibers and determine if they need a few more minutes or if he is satisfied with the disinfection. If he is, he will activate the button for the tank discharge valves.

 

 

a.        The mixing tank

 

The design of the mixing tank was mainly based on meeting the geometric and process requirements. It had to contain up to four bundles of 6-meter-long catgut fiber slats, reaching a minimum mix level of 6 cm and a maximum of 15 cm. For this purpose, the material proposed was AISI 316 stainless steel, ideal for resisting corrosion of mixtures with a wide pH range, be it basic or acid. It was assembled using 14-gauge sheets and reinforcing gussets will be placed on the sides to prevent deformation. At its ends, it will have two 1 1/2” pipes in which they will be coupled to the discharge valves. The tank will be mounted atop of the support structure.

b.             Supporting Structure

 

The structure supporting the tub was made of 2”x 2” square tubes made of ASTM A500 steel and joined by welding. After the manufacturing process, it was coated with anticorrosive paint to protect it from the high humidity environment. This structure supports the tub and houses the electrical panel. The structure must support the maximum load when the tub is complete with catgut threads and filled to the maximum with water.

 

c.             Aeration System

 

Since there was no need for a specific bubble size to produce the mix turbulence, to ease the fabrication, the set of pipes were made up of a closed circuit of ½” PVC pipes with ¼” holes to allow the air escape along the entire upper part of the pipe, at 50 mm intervals (Figure 3). The circuit was linked to an air compressor that works without oil so that the incoming air is clean and free of contamination. The compressor has a motor power of 2HP and 50 liters of capacity in its inlet tube.

 

Figure 3

 

Isometric detail view of the aeration system.


 

 

 

d.             Control Design

 

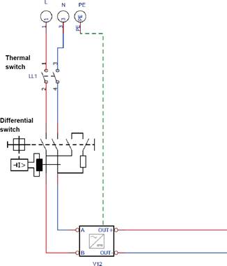
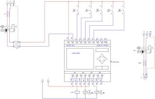
The main purpose of the automation system is to facilitate the use of the disinfection system for catgut fibers. A programmable logic controller (PLC) is used to control the water pouring, to command the compressor that generates turbulence through the aeration system, and to open and close the valves for the tub draining. The schematics of the electrical connections are found in the Appendix B. First, the system is protected with a thermo-magnetic switch and a differential switch for any eventual overload. Related to this safety issue, it is mandatory that the system is grounded to avoid any accident or fatality, especially in an environment with abundant water. The power supply powering the PLC, sensors and actuators were grounded in the same way. A differential switch was added to the compressor connection for safety and to protect said equipment. The system consists of a water level sensor that conditions the activation of the compressor; the compressor only activates if there is a minimum of water in the tub, calibrated to the desired values of 6 and 15 cm. When the sensor condition is met and the corresponding button is activated, the compressor is activated for the time programmed in the PLC. If there is an emergency stop desired during the compressor activation time, the stop button can be activated to stop the compressor immediately. There is a third on/off selector that activates the discharge valves as long as the compressor is not active.

 

The automatic filling system of the tub is controlled by an on/off inlet valve. To activate it, the corresponding button must be pressed. When the water level sensor detects a sufficient level, it automatically closes the inlet valves. As a safety measure, the Stop button also stops this action. The control panel contains all the buttons and selectors of the system. This panel must have an IP65 degree of protection for dusty environments and against low power jets of water.

Validation

 

After building the automated disinfection system, chlorhexidine gluconate and benzalkonium chloride were tested separately to verify the effects on the strength of the fibers cleaned with widely used disinfectants. The details of the disinfectants are presented in Table 4. The tests were carried out on Saturday, October 3 2020 at the facilities of the plant located in the district of Santa Anita, Lima, Peru with an ambient temperature of 18°C and 76% relative humidity. The pictographs of the loading and testing process are in the Appendix C.

 

Table 4

 

Disinfectants Tested

 

 

 

 

Trade name, brand, batch and expiration date

Chemical composition

Dilution (%)

Safe Blon H 1.5%, Roker, 11217138, December 2021

Chlorhexidine gluconate, 1.5%.

0.0015%

Safe Green 5%, Roker, No.10416029, April 2022

Benzalkonium chloride, 5%

0.005%

 

 

The automated aeration used lasted 20 minutes to promote optimal contact of the solution with the fibers. This time was established based on preliminary tests with inorganic dyes to observe the homogeneous coating of the surface of all the fibers without causing the disruption of the integrity of the filaments, as visually verified by the factory's quality control experts. Then, the filaments were rinsed and twisted to establish their caliber. After that, they were moved to the drying zone, in rooms equipped for drying at relative humidity gradients. Then, the resulting catgut filament was tested using routine quality control tests including caliber size, tensile strength and endotoxin levels. The standard size of 75 cm was chosen with tolerances of 5%. The results of the validation tests of the gauge and tensile strength of the threads that were subjected to the different disinfectants are shown in Table 5.

 

Table 5

 

Caliber (MM) Tensile Strength (KG.F). N = 13 filaments1,2

 

 

 

 

 

 

 

Treatment

Catgut: caliber, batch

Average and caliber range (mm)

Average and strenght range (kg.f))

Control

0 2090010

0.495 [0.494 - 0.497]

3.84 [3.07 - 4.17]

Control

0 2090020

0.495 [0.490 - 0.496]

3.60 [2.72 - 4.10]

Chlorhexidine gluconate

0 - 2090010

0.495 [0.493 - 0.497]

3.84 [3.32 - 4.14]

Benzalkonium chloride

0 - 2090020

0.495 [0.492 - 0.497]

3.71 [2.74 - 4.30]

Control

2/0 - 2090010

0.395 [0.393-0.396]

2.57 [2.18 - 2.80]

Control

2/0 - 2090020

0.395 [0.394 - 0.397]

2.60 [2.00 - 2.97]

Chlorhexidine gluconate

2/0 - 2090010

0.395 [0.392 - 0.396]

2.33 [1.78 - 2.88]

 

 

 

Benzalkonium chloride

2/0 - 2090020

0.395 [0.394 -0.396]

2.45 [2.00 - 2.72]

 

 

 

1 For a 0 caliber, according to the standard, the gauge diameter shou ld be between 0.400-0.499 mm and the

average tensile strength should be > 2.77 and the minimum > 1.45

2 For a 2/0 caliber, according to the standard, the gauge diameter should be between 0.350-0.399 mm and the average tensile strength should be >2.00 and the minimum >1.04

             

 

It was found that for calibers 0 and 2/0 product conformity was given in all cases. The p- values for the differences between the caliber or resistance values were calculated using the t-Student test in the control groups of each of the two batches, as shown on Table 6. A two-tailed distribution was assumed and that significant differences occurred for p <0.05. It was concluded that there were no significant differences in the values of these variables for any of the batches.

Table 6

 

Calculations of the p-value of the T-Student Test for the control group of each batch (2090010 vs. 2090020)

 

 

 

 

 

Caliber

Diameter

Tensile strength

Caliber 0

0.7370

0.1672

Caliber 2/0

0.1145

0.7118

 

 

 

Table 7 shows the p-values for ANOVA comparing benzalkonium chloride and chlorhexidine gluconate disinfections assuming that the samples were not paired and that the distributions of the standard deviations were comparable. For the 2/0 caliber there is a notable effect with the disinfection performed. Then, the t-Student test was used to evaluate independently each disinfectant, finding that for chlorhexidine gluconate there was a significant difference in the tensile strength of the threads with respect to the control (p = 0.0166) while there were no differences for benzalkonium chloride. Table 8 shows a summary of the results of the LAL levels according to what is established by the American Pharmacopoeia: USP <85> Bacterial Endotoxin Test and USP <161> Medical Devices - Bacterial and Pyrogen Endotoxin Test. These results indicate that the disinfected catgut using the automated system passes all mechanical quality control tests. However, the experiments were not designed to establish whether there is decreased endotoxin levels based on specific treatments.

 


 


Table 7

 

ANOVA p-value calculations

 


 


 

 

 

Caliber

Diameter

Tensile strength

Caliber 0

0.3789

0.6506

Caliber 2/0

0.8212

0.0382

 

 

 

 

 

 

 

 

Table 8

Endotoxin levels (EU / device)

 

Treatment

Catgut: caliber, batch

Quantitative result (EU / device)

EU / device specification <20

Control

0 – 2090010

11.3

Passed

Control

0 – 2090020

8.8

Passed

Chlorhexidine gluconate

0 - 2090010

11.3

Passed

Benzalkonium chloride

0 - 2090020

10.0

Passed

Control

2/0 - 2090010

10.0

Passed

Control

2/0 - 2090020

10.0

Passed

Chlorhexidine gluconate

2/0 - 2090010

10.0

Passed

Benzalkonium chloride

2/0 - 2090020

10.0

Passed

 

 

 



Conclusions and Discussion

 

Our team successfully completed the mechanical and control design of industrial equipment that allows efficient automated disinfection of bovine intestinal fibers for catgut suture thread manufacture. The design uses an aeration system that generates the necessary turbulence to properly disinfect the catgut fibers. In-situ testing of the system was also performed using two widely used disinfectants with satisfactory results. The automatic aeration system in the disinfection tank implemented increased the process's efficiency by reducing the time used to process a load of fiber by 50%. The system also allowed the mixture of water and disinfectant to improve its utilization performance by 100%. Finally, the work time of the personnel used in the process was reduced from 220 to 20 minutes. From the prototype results that were replied by the implemented system, the design allowed a reduction of 53% for the processing time of four fiber bundles and 50% in processing eight fiber bundles. A single worker uses 20 minutes for processing eight fiber bundles while it took two workers 120 minutes each for the same job. Thus, it is concluded that 220 minutes of labor would be available to attend other processes co-occurring in the plant. Additionally, the water and disinfectant mixture increased its performance from being used for a bundle of four slats to being used in two bundles. This improvement also saves the company 50% of the disinfectant cost. It is important to mention that the engineering solution provided is relatively simple yet robust from a mechanical design and automation technical perspective. Therefore, it addresses the requirements while maintaining the value of the product which is a critical component to move forward any innovative efforts.  

 

Acknowledgements and funding information

 

We want to show our appreciation to the technical and administrative personnel of STC

S.A.C. They were enthusiastic about designing and implementing the disinfection system and helped enormously through the whole process. We would also like to thank Edwin Alvarez Valdivia, who greatly helped in the engineering and implementation ofthe processes' automation. Finally, we are grateful to Etsel Suarez Uribe for his critical reading and feedback of the manuscript.

 

This work was supported by the Ministry of Production of Peru thorugh the Programa Nacional de Innovacion para la Competitividad y Productividad INNOVATE PERU Grant No.306-PIEC1-2019.

 

Contribution to authorship

 

Juan A. Vega Farje wrote the manuscript, executed experiments and analyzed data. Ana Gonzalez wrote the manuscript, executed experiments and analyzed data.

Fanny L. Casado critically revised the manuscript, executed experiments, analyzed data and secured funding.

 

Conflicts of interest

 

The authors have no conflict of interest to declare.

 

References

 

Chu, C. C. (2013). Materials for absorbable and nonabsorbable surgical sutures. Biotextiles As Medical Implants, 275–334. https://bit.ly/3lUAdJq.

Holder, E. (1949). The story of catgut. Postgraduate Medical Journal, 25, 427–433. https://doi.org/10.1136/pgmj.25.287.427.

Juszkiewicz, M., Walczak, M., Mazur-Panasiuk, N., & Woźniakowski, G. (2020). Effectiveness of Chemical Compounds Used against African Swine Fever Virus in Commercial Available Disinfectants. Pathogens (Basel, Switzerland), 9(11), 1–10. https://doi.org/10.3390/PATHOGENS9110878.

Verein Deutscher Ingenieure. (2004). DIN - VDI 2206 - Design methodology for mechatronic systems. Dusseldorf. https://bit.ly/3zENaMl.

Weetman, R. J., & Gigas, B. (2002). Mixer Mechanical Design - Fluid Forces. Texas: Texas A&M University. http://oaktrust.library.tamu.edu/handle/1969.1/164026.


 

 

Appendix.

 

 

 

APPENDIX A: PROTOTYPE AERATION METHOD PICTURES

 

Figure A1

 

Water pouring

 


 

 

Figure A2

 

Air blower connection to the aeration system

 



Figure A3

 

Water turbulence generation by blowing air to the system in empty tank

 

 

Figure A4.

 

Catgut fiber slabs placemen inside the prototype   tank


 

 

Figure A5

 


Water turbulence generation with catgut fiber slabs placed atop of the aerations system

 

 


 

APPENDIX B: ELECTRICAL SCHEMATICS

 

Figure B1

 

General schematic of the automation system

 


 

 

Figure B2

 

Schematic detail of DC power supply connection



Figure B3

 

Schematic detail of the PLC inputs


 

 

Figure B4

 

Schematic detail of the PLC outputs

 

 



Figure B5

 


Schematic detail of compressor connection

 

 

 

 

APPENDIX C: PICTURES OF THE DISINFECTANT TESTING WITH THE IMPLEMENTED SYSTEM

 

Figure C1

 

Disinfectant mixing with turbulence generated by the aeration system, with Chlorhexidine gluconate (left) and Benzalkonium chloride (right)



Figure C2

 

Catgut fiber disinfection with Chlorhexidine gluconate (left) and Benzalkonium chloride (right)